30-day postage paid returns
30-day postage paid returns
Free shipping for orders more that $200
Free shipping for orders more that $200
Get 30% off for your first order
Get 30% off for your first order

Az Ön kosara

Az Ön kosara most üres.

VÁSÁRLÁS FOLYTATÁSA
1 / 6

Factory Price SMPS Mean Well DRS-240-24 240W 24V 7.7A AC-DC Din Rail All-In-One Intelligent Security Power Supply

$156.00 USD
A szállítási költség fizetéskor kerül kiszámításra
Mennyiség

Yantai Boxin International Trading Co., Ltd. is a professional comprehensive trading service provider for communication equipment.With warehouses established in Yantai and Hong Kong, we have built a complete and localized network for delivering communication products and services.In 2018, Yantai Boxin International Trading Co., Ltd. set up its international sales department in Yantai, China.Based in China, we operate in emerging markets across Southeast Asia, India, the Middle East, Africa, Europe, and the United States. 

Yantai Boxin International Trading Co., Ltd. supplies products to various telecom operators, meeting their needs for supplementing and expanding 2G/3G/4G/5G network stations.Our current equipment portfolio covers brands such as Nokia, Ericsson, Alcatel, Huawei, ZTE, ZTT, and FiberHome. 

We expand our international market share by offering high-quality products, excellent service, competitive pricing, and timely delivery.Feel free to contact us for more information.

Product Description
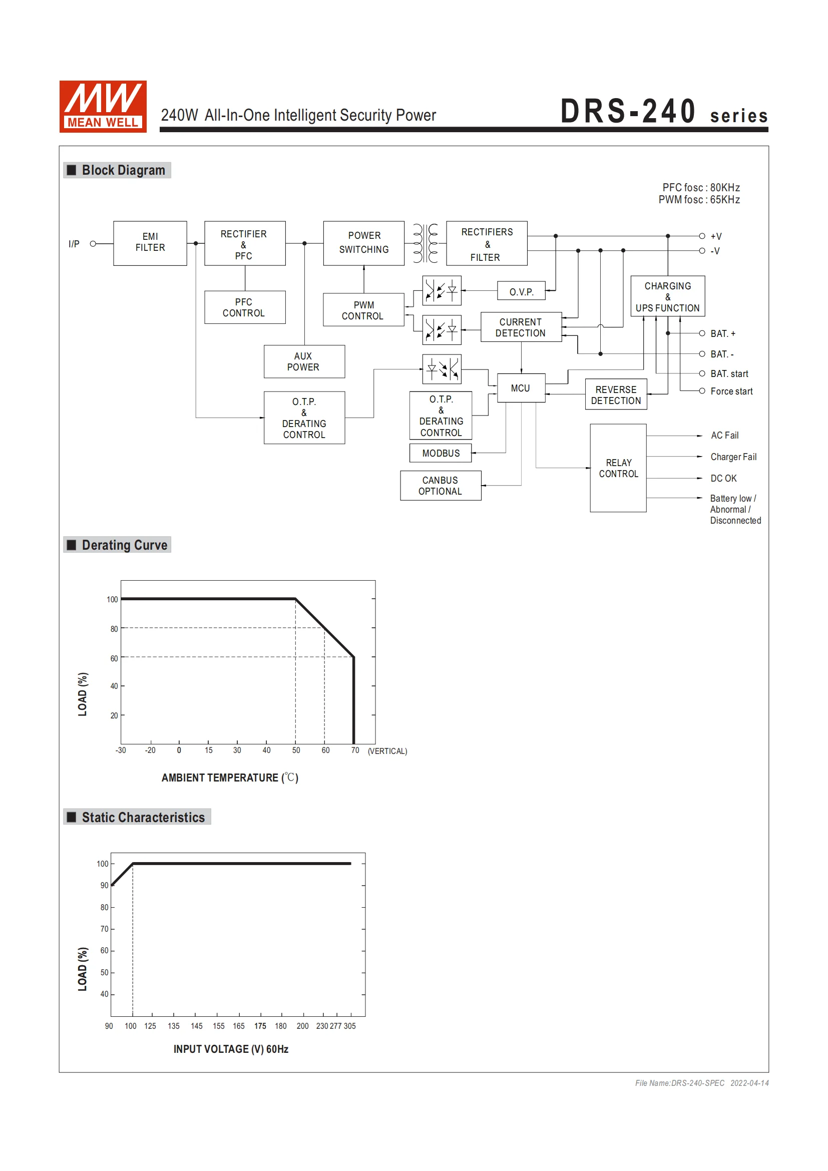
Security—DRS Series Features:
Wattage : 240W& 480W
Model: DRS-240 / DRS-480
Universal input 90~305VAC (277VAC available)
All-in-one function with Power supply, DC-UPS, battery charger and status monitoring in ONE compact unit
Signal and alarms design meet UL2524, NFPA1221, BS EN/EN54-4 and GB17945 requirement
Form C relay contacts and LED indicators for AC Fail, Battery Low, Charger Fail, and DC-OK
Built-in MODBus protocol, CANBus optional
Charging curve can be set with SBP-001
OEM& ODM Service
Customer Feedback
Company Profile
Shenzhen Xingda Shidai Technology Co. LTD.founded in 2021, is an enterprise focusing on the research development and sales of communication products and data center peripheral products.The headquarters is set up in Fang shan,Beijing,and has cooperative organizations throughout the country.

The company mainly engages in network energy equipment, including: VERTIV(formerly EMERSON), HUAWEI, ELTEK, ZTE, DELTA, DZY, VAPEL and other maior manufacturers'communication power supply system, sprecision head cabinets, power supply distribution cabinets,Yixiu cabinets customization and sales;UPS,precision air conditioning of VERTIVHUAWEI,SANTAK and other brands LEOCH Panasonic, SACRED SUN, YUASA and other brands of batteries;and other supporting products in the data room.

We promise that all electrical properties of all products willundergo rigorous testing and aging testing before shipmentplus load testing to ensure the quality of the products and provide quality after-sales services.We can always provide quality assurance during the warranty period.Provide spare parts,no need to wait for the maintenance period,saving customers time and costs.

We provide OEM / ODM services according to customers' specific needs.
Our Advantages
Packing & Delivery
FAQ
1. Who are we?
We are based in Guangdong, China, start from 2021,sell to Southeast Asia(25.00%), Africa(13.00%),Mid East(10.00%), Southern Europe (5.00%), South Asia (5.00%), Central America(5.00%), Western Europe(5.00%),Eastern Asia(5.00%), Eastern Europe (5.00%),Oceania(5.00%),South America(5.00%), North America(5.00%),Domestic Market(4.00%), Northern Europe (3.00%).There are total about 11-50 people in our office.

2.How can we guarantee quality?
Always a pre-production sample before mass production;
Always final Inspection before shipment.

3.What can you purchase from us?
Telecommunication cabinet, Embedded Power System, huawei, ZTE OLT, Rectifier module, Monitoring module,Indoor Network Cabinet, UPS, Power Supply System, etc.

4.Why should you buy from us not from other suppliers?
We are pecialized in distributing HUAWEI, EMERSON, ELTEK, DELTA, FLATPACK, ETCwith original package and teachical service to provide competive Pricing and fast delivery.

5. What services can we provide?
Accepted Delivery Terms: FOB,CFR,CIF,EXW,FAS,FCA,DDP,DDU,Express Delivery;
Accepted Payment Currency:USD,EUR,CAD,HKD,GBP,CNY;
Accepted Payment Type: T/T,L/C,PayPal,Western Union,Cash;
Language Spoken:English,Chinese

Example title

Example title

Example title

Example title

You may also like